
Geometrical Tolerancing in Practice - Fundamentals
Practical training in geometrical tolerancing to BS8888 & ISO GPS standards.


Course Description:
This intensive programme introduces the fundamental principles of geometrical tolerancing, with practical examples drawn from multiple industry sectors. The course provides a broad foundation that applies across all industries, and is delivered to BS 8888 & ISO GPS standards.
Course Objectives:
By completing this course, participants will:
Build a strong foundation - grasp the core principles that make the standards easier to understand
Master the essentials - become fluent in the key terminology, rules, and most commonly used symbols from the standards.
Apply with purpose - learn when and how to use tolerance symbols effectively, and how the standards are used, interpreted and applied across a part’s life cycle.
Design for function - see how correct datum and tolerancing strategy enables a requirements-driven approach, ensuring fitness for purpose and unambiguous capture of design intent.
Bridge textbook theory with practical application - Learn how tolerancing strategy is shaped by manufacturing and inspection realities.
Gain practical confidence - work with real drawings and parts from Aerospace, Medical Devices, Automotive and Energy sectors, to build a broad understanding of how the standards are applied across multiple industries, and see how the standards drive better design intent, clearer communication, and more efficient production.
Who it is for:
This is our general course, designed to be accessible to participants from all industries — whether new to geometrical tolerancing or with prior experience.
The course is particularly valuable for:
Design and Mechanical Engineers
Inspectors and Inspection Planners
Drafters
Machinists, Operators, and Tooling Engineers
Sales, Purchasing, and Quality personnel
Managers, Supervisors, and Production Associates
Anyone who needs to read, interpret, or work with the standards on engineering specification
Requirements:
Participants should have some familiarity with engineering drawings and a background in design, production, or inspection, including the ability to interpret how parts are represented on drawings.
Delegates don't need to bring materials, laptops etc. All materials are provided by GD&T Academy.
Participants are welcome to supply drawings or components, which may be integrated into exercises to enhance course applicability.
An upper limit of 10 delegates is advised to ensure effective learning.
Materials provided:
Detailed course notes including drawing examples
Workbook with exercises and other printable handouts
Quizzes and knowledge checks to gauge progress throughout the course
Certificate of course completion
Delivery Format:
Onsite or online delivery
Duration:
3 days
Course Syllabus:
Core Content:
Foundations of Geometrical Tolerancing - Principles, benefits, and standards in context (ISO 8015, ISO 17450, BS 8888)
Features & Size Control - Features of size, size tolerances and the Envelope Requirement (ISO 14405-1)
Datums & Datum Systems - Defining, constructing, and selecting datums; controlling 6 degrees of freedom, datum feature indicator, datum targets, common datums (ISO 5459)
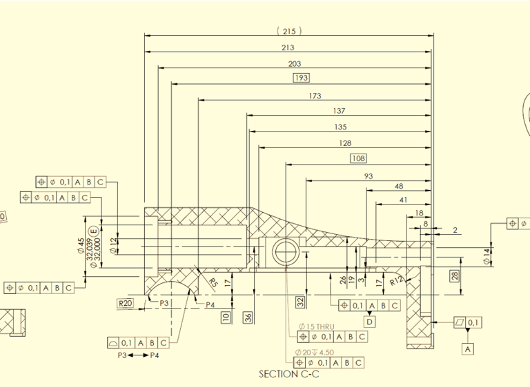
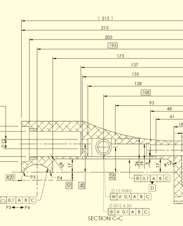
Geometrical Tolerances - Characteristic symbols, tolerance indicators, tolerance features, modifiers and Theoretically Exact Dimensions (TEDs), tolerance characteristics & application, Profile Tolerances (ISO 1101, ISO 1660)
General Tolerances: Linear & Angular tolerances, General geometrical specifications and general size specifications (ISO 2768, ISO 22081)
Multi-Sector Content & Application:
Maximum Material Requirement and Bonus Tolerance (BS EN ISO 2692)
Application on Aerospace part(s)
Application on Medical Device part(s)
Application on Nuclear Energy part(s)
Application on Automotive part(s)
Industrial Machinery part(s)
To book a course, discuss possible dates, or for further information:
About This Course:
"Bridging the Gap Between Theory and Practice"
GD&T Academy
UK office:
8 Lanercost Crescent Milton Keynes
MK10 9EB
Phone: +44(0)7887748891
© 2025. All rights reserved.